设为首页
|
加入收藏
|
联系我们
首页
关于北滤
资质荣誉
产品展示
技术支持
网上订单
人才招聘
联系我们
产品列表
/ PRODUCTS LIST
互换进口滤芯系列
PALL(颇尔)滤芯系列
HYDAC(贺德克)滤芯系列
MAHLE(玛勒)滤芯系列
INTERNORMEN(英德诺曼)滤芯系列
EPPENSTEINER(EPE) 滤芯系列
TAISEI KOGYO(大生) 滤芯系列
过滤器系列
并联过滤器
回油过滤器
管路过滤器
滤油机系列
自带油箱型滤油车LYC-CL系列
高固含量油滤油机LYC-G系列
箱式移动滤油机LYC-C系列
高精度滤油机LYC-B系列
聚结脱水滤油机LYC-J系列
高粘度油滤油机GLYC系列
防爆式箱式滤油车
便携式滤油车BLYJ系列
联系我们
/ CONTACT US
地址:河南省新乡市寺庄顶工业园9号
联系人:马经理
电话:0373-3338378
手机:18695936244
传真:0373-3338387
E-mail:
beifanggl@163.com
网址:
http://www.xxbeilv.com
产品展示
/ PRODUCTS SHOW
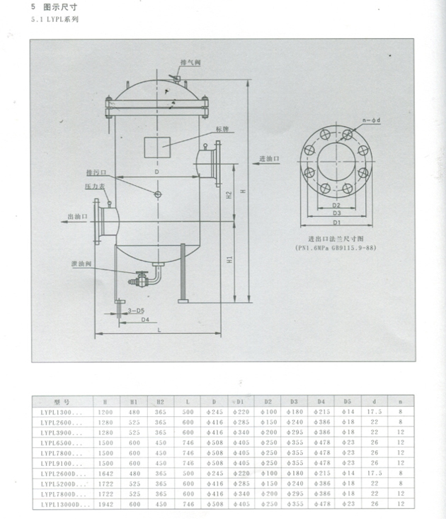
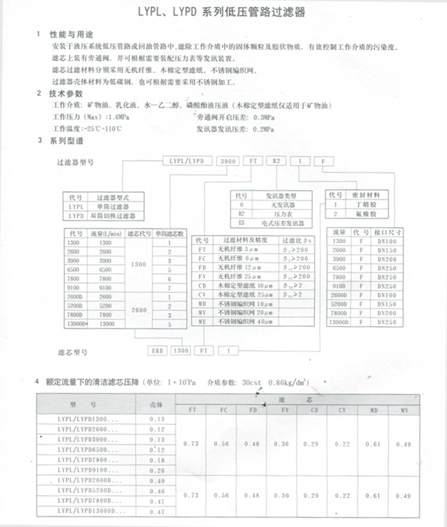
大流量油过滤器系列 LYPL LYPD
首页
|
关于北滤
|
资质荣誉
|
产品展示
|
技术支持
|
网上订单
|
人才招聘
|
联系我们
CopyRight © 2010-2011
新乡市北方滤清器厂有限公司
备案号:
豫ICP备11023559号-1
豫公网安备 41071102000141号